ホーム
サイトマップ
English
お問い合わせ
WEBショールーム
Webカタログ
検索
会社情報
会社情報
会社情報
トップメッセージ
企業理念
沿革
コンドーテック陸上部
会社概要
役員
グループ会社
工場
組織図
コーポレート・ガバナンス
事業所
製品・商品情報
製品・商品情報
製品・商品情報
環境・産廃資材
緑化・街路資材
河川・法面資材
ワイヤロープ・繊維ロープ・ロープ付属品
吊り具
シャックル
ターンバックル
ねじ
物流荷役機器
チェーン
基礎用部材
型枠部材
仮設足場部材
鉄骨部材
溶接・塗装資材
現場用品
ネット・シート類
建築金物
木造住宅用金物
保安用品
船舶・艤装品
ラッシング資材
港湾土木資材
機械・工具類
ステンレス製品
CAD
電設資材
閉じる
技術情報
技術情報
技術情報
スリングについて
吊り金具について
吊り具アドバイザー
自社工場製品
鉄道関連資材
ワイヤロープ選定ソフト
アンカーボルト計算ソフト
吊り具点検サイト
「ツリカタ」
多点吊り
ワイヤロープスリング
<部材>選択ツール
株主・投資家情報
株主・投資家情報
株主・投資家情報
個人投資家の皆様へ
経営方針
財務・業績
IRライブラリー
IR情報・プレスリリース
株式情報
よくあるご質問
IRカレンダー
IRアンケート
IRに関するお問い合わせ・
資料請求
用語集
IRポリシー
免責事項
IRサイトの使い方
IRサイトマップ
サステナビリティ
サステナビリティ
サステナビリティ
ENVIRONMENT 環境
SOCIAL 社会
GOVERNANCE ガバナンス
統合報告書
採用情報
採用情報
採用情報
新卒・既卒採用
海外留学生採用
技能職採用(経験者採用)
グループ企業採用情報
サイトマップ
English
お問い合わせ
WEBショールーム
Webカタログ
メニュー
TOP
製品・商品情報
船舶・艤装品
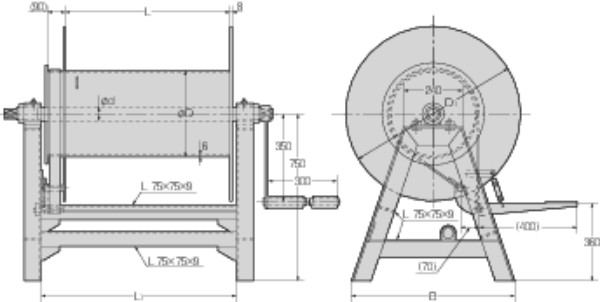
船用ワイヤリール
製品・商品情報
船舶・艤装品
船舶艤装品(リール・ストッパー類)
船用ワイヤリール
WEBカタログを見る
特長
JIS F 3430-1980
一覧に戻る
製品・商品情報
新製品・商品情報
環境・産廃資材
緑化・街路資材
河川・法面資材
ワイヤロープ・繊維ロープ・
ロープ付属品
吊り具
シャックル
ターンバックル
ねじ
物流荷役機器
チェーン
基礎用部材
型枠部材
仮設足場部材
鉄骨部材
溶接・塗装資材
現場用品
ネット・シート類
建築金物
木造住宅用金物
保安用品
船舶・艤装品
ラッシング資材
港湾土木資材
機械・工具類
ステンレス製品
CAD
電設資材
閉じる